Mounted bearing units combine a spherical outside surface ball bearing, seal, and a housing of high-grade cast iron or pressed steel. Featuring a variety of structure patterns, these units are suitable for applications under tough conditions.
| Industry Sector | Application Details |
|---|---|
| Agriculture | Mining |
| Engineering | Chemical Machinery |
| Textile | Plastic |
| Dyeing and Finishing | Other Industries |


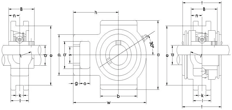
| Unit No. | d (mm) | O | g | p | q | b | k | e | a | w | j | l | h | B | n | Bearing No. | Housing No. | Weight (kg) |
|---|---|---|---|---|---|---|---|---|---|---|---|---|---|---|---|---|---|---|
| UCT201 | 12 | 16 | 10 | 51 | 32 | 51 | 12 | 76 | 89 | 94 | 32 | 21 | 61 | 31 | 12.7 | UC201 | T204 | 0.80 |
| UCT204 | 20 | 16 | 10 | 51 | 32 | 51 | 12 | 76 | 89 | 94 | 32 | 21 | 61 | 31 | 12.7 | UC204 | T204 | 0.76 |
| UCT205 | 25 | 16 | 10 | 51 | 32 | 51 | 12 | 76 | 89 | 97 | 32 | 24 | 62 | 34.1 | 14.3 | UC205 | T205 | 0.81 |
| UCT208 | 40 | 19 | 16 | 83 | 49 | 83 | 16 | 102 | 114 | 144 | 49 | 33 | 89 | 49.2 | 19 | UC208 | T208 | 2.40 |
| UCT210 | 50 | 19 | 16 | 83 | 49 | 86 | 16 | 102 | 117 | 149 | 49 | 37 | 90 | 51.6 | 19 | UC210 | T210 | 2.43 |
| UCT212 | 60 | 32 | 19 | 102 | 64 | 102 | 22 | 130 | 146 | 194 | 64 | 42 | 119 | 65.1 | 25.4 | UC212 | T212 | 4.97 |
Main product ranges include ball bearings and full ranges of mounted bearing units, including 60 series, 62 series, 63 series; thin-wall bearings such as 68 and 69 series, as well as flange bearings, inch bearings, and high precision angular contact bearings.



- Bearings, Oil seals, Transmission belts
- Chain and Sprocket
- Hub assembly & Wheel bearings
- Coupling, castings, Linear motion
Production facilities cover about 100,000 square meters, equipped with more than 500 sets of various machines. Production follows strict requirements of ISO quality systems. The advantage lies in producing both the bearings and the housings, guaranteeing stable delivery and quality.

