1 / 5
Stainless steel pillow block bearings offer a reliable, high-performance solution for a range of industrial and commercial applications.
Cost effective bearing / housing assembly, re-lubricatable, replaceable insert, grub screw fixing, food safe and approved, exceptionally strong and durable.
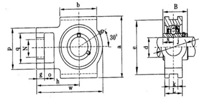
| Bearing no. | Shaft (mm) | w | h | g | b | N | q | o | a | e | p | j | k | L | B | S | Housing | Weight (kg) |
|---|---|---|---|---|---|---|---|---|---|---|---|---|---|---|---|---|---|---|
| SUCT201 | 12 | 94 | 61 | 10 | 51 | 19 | 32 | 16 | 89 | 76 | 51 | 32 | 12 | 21 | 31 | 12.7 | ST203 | 0.93 |
| SUCT204 | 20 | 94 | 61 | 10 | 51 | 19 | 32 | 16 | 89 | 76 | 51 | 32 | 12 | 21 | 31 | 12.7 | ST204 | 0.89 |
| SUCT205 | 25 | 97 | 62 | 10 | 51 | 19 | 32 | 16 | 89 | 76 | 51 | 32 | 12 | 24 | 34.1 | 14.3 | ST205 | 0.99 |
| SUCT208 | 40 | 144 | 88 | 16 | 83 | 29 | 49 | 19 | 114 | 102 | 83 | 49 | 16 | 33 | 49.2 | 19 | ST208 | 2.68 |
| SUCT210 | 50 | 149 | 90 | 16 | 86 | 29 | 49 | 19 | 117 | 102 | 83 | 49 | 16 | 37 | 51.6 | 19 | ST210 | 2.98 |
| SUCT212 | 60 | 194 | 119 | 19 | 102 | 35 | 64 | 32 | 146 | 130 | 102 | 64 | 22 | 42 | 65.1 | 25.4 | ST212 | 5.57 |







As a professional bearing manufacturer, we have a number of key advantages: