The mounted bearing units combine a spherical outside surface ball bearing, a high-grade seal, and a housing made of cast iron or pressed steel. This robust structure is designed for reliable performance under tough environmental conditions.


*F type (left), normal type (right). We offer star seals or flat seals to meet specific market requirements for enhanced durability and sealing performance.


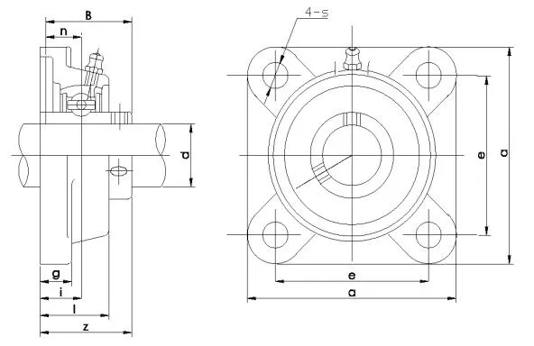
| Unit No. | Dimensions (mm / inch) | Bolt Size | Bearing No. | Weight (kg) | |||||||||
|---|---|---|---|---|---|---|---|---|---|---|---|---|---|
| d | a | e | i | g | l | s | z | B | n | ||||
| UCFX05 | 25 | 108 | 83 | 18 | 13 | 30 | 12 | 40.2 | 38.1 | 15.9 | M10 | UCX05 | 1.00 |
| UCFX06 | 30 | 117 | 92 | 19 | 14 | 34 | 16 | 44.4 | 42.9 | 17.5 | M14 | UCX06 | 1.70 |
| UCFX07 | 35 | 130 | 102 | 21 | 14 | 38 | 16 | 51.2 | 49.2 | 19.0 | M14 | UCX07 | 2.10 |
| UCFX08 | 40 | 137 | 105 | 22 | 14 | 40 | 19 | 52.2 | 49.2 | 19.0 | M16 | UCX08 | 2.40 |
| UCFX09 | 45 | 143 | 111 | 23 | 14 | 40 | 19 | 55.6 | 51.6 | 19.0 | M16 | UCX09 | 2.50 |
| UCFX10 | 50 | 162 | 130 | 26 | 20 | 44 | 19 | 59.4 | 55.6 | 22.2 | M16 | UCX10 | 3.90 |
Our facility covers over 100,000 square meters with advanced production lines and over 500 sets of specialized machinery. We operate strictly under quality management systems to ensure stable delivery and performance.


Compliance with the highest standards is guaranteed through the use of premium steel and precise design. Our quality control covers all processes from raw material entry to final ultrasonic cleaning and automated packing.