1 / 5
Stainless steel pillow block bearings offer a reliable, high-performance solution for a range of industrial and commercial applications.
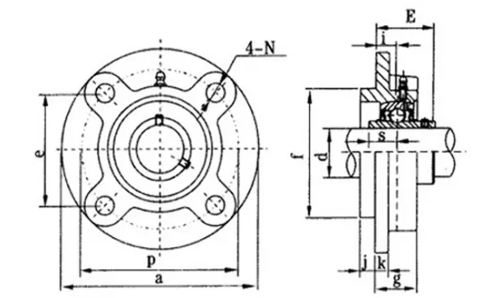
| Bearing no. | Shaft (din) | Shaft (dmm) | a | p | e | i | f | g | j | N | K | E | S | Bearing Unit | Housing No. | Weight (kg) |
|---|---|---|---|---|---|---|---|---|---|---|---|---|---|---|---|---|
| SUCFC201 | - | 12 | 100 | 78 | 55.1 | 10 | 62 | 20.5 | 5 | 12 | 7 | 28.3 | 12.7 | SUC201 | SFC203 | 0.56 |
| SUCFC204 | - | 20 | 100 | 78 | 55.1 | 10 | 62 | 20.5 | 5 | 12 | 7 | 28.3 | 12.7 | SUC204 | SFC204 | 0.52 |
| SUCFC205 | - | 25 | 115 | 90 | 63.6 | 10 | 70 | 21 | 6 | 12 | 7 | 29.8 | 14.3 | SUC205 | SFC205 | 0.64 |
| SUCFC206 | - | 30 | 125 | 100 | 70.7 | 10 | 80 | 23 | 8 | 12 | 8 | 32.2 | 15.9 | SUC206 | SFC206 | 0.93 |
| SUCFC208 | - | 40 | 145 | 120 | 84.8 | 11 | 100 | 26 | 10 | 14 | 9 | 41.2 | 19 | SUC208 | SFC208 | 1.59 |
| SUCFC210 | - | 50 | 165 | 138 | 97.6 | 10 | 110 | 28 | 12 | 16 | 14 | 42.6 | 19 | SUC210 | SFC210 | 2.15 |
| SUCFC212 | - | 60 | 195 | 160 | 113.1 | 17 | 135 | 36 | 12 | 19 | 15 | 56.7 | 25.4 | SUC212 | SFC212 | 3.99 |





